42 mtd riding mower wiring diagram
Sep 18, 2017 · Mtd Riding Mower Troubleshooting – Youtube, size: 800 x 600 px, source: i.ytimg.com. Right here are some of the leading illustrations we receive from different resources, we hope these photos will work to you, and also hopefully really relevant to just what you want concerning the Mtd Yard Machine Riding Mower Wiring Diagram is. Mtd wiring diagram ssb tractor bob why is it that mtd will not supply a wiring diagram with there manuals i been told that thay are not available hard to believe chris need more info wiring diagrahm for huskee riding lawn mower under the seat is a plastic tag that should contain the model number of the mower unfortunately the tag has dried out ...
Jul 08, 2021 · Mtd Model 132-431F088 Lawn, Tractor Genuine Parts – Mtd Riding Lawn Mower Wiring Diagram. Wiring Diagram consists of numerous detailed illustrations that present the link of varied things. It includes guidelines and diagrams for different varieties of wiring techniques and other items like lights, home windows, and so forth.

Mtd riding mower wiring diagram
Mtd 638rl Wiring Diagram. Sep 6, A lot of folks out there have riding mowers. So, in this two part video series, I'll be covering the starting system of a typical riding mower wiring. horse power rideing lawn mower R L yard machine by M T D There is no SOLENOID LOOKING FOR A WIRING DIAGRAM/USER MANUAL FOR MTD. I need a wiring diagram for a Lawn Machine riding mower, Briggs & Stratton, 18 hp, Model 42A,type E1,codeB. Submitted: 7 years ago. MTD Yard machine runs forward and reverse but conks out when mower deck is lowered. How can I get a wiring diagram for a Murry Select riding mower, model number XSA, with a HP. Mtd Riding Lawn Mower Wiring Diagram. Variety of mtd riding lawn mower wiring diagram. A wiring diagram is a simplified standard photographic depiction of an electrical circuit. It shows the elements of the circuit as simplified shapes, as well as the power and signal links in between the gadgets. A wiring diagram normally gives information concerning…
Mtd riding mower wiring diagram. Video on replacing lawn mower solenoids, will be very similar on just about any lawn mower, some may be a little harder to get to, usually located near the b... Riding Mower Ignition Switch Wiring Diagram | Wiring Library – Mtd Ignition Switch Wiring Diagram. You can often depend on Wiring Diagram being an important reference that may help you conserve money and time. With the assist of the guide, you are able to very easily do your own wiring projects. Mtd Riding Lawn Mower Wiring Diagram – mtd riding lawn mower wiring diagram, Every electric structure is made up of various distinct components. Each part should be placed and linked to different parts in specific way. Otherwise, the structure will not work as it ought to be. Oct 23, 2019 · Mtd Riding Mower Wiring Diagram – wiring diagram is a simplified normal pictorial representation of an electrical circuit. It shows the components of the circuit as simplified shapes, and the aptitude and signal associates amongst the devices. A wiring diagram usually gives instruction about the relative tilt and contract of devices and ...
Mtd Riding Lawn Mower Wiring Diagram. Variety of mtd riding lawn mower wiring diagram. A wiring diagram is a simplified standard photographic depiction of an electrical circuit. It shows the elements of the circuit as simplified shapes, as well as the power and signal links in between the gadgets. A wiring diagram normally gives information concerning… I need a wiring diagram for a Lawn Machine riding mower, Briggs & Stratton, 18 hp, Model 42A,type E1,codeB. Submitted: 7 years ago. MTD Yard machine runs forward and reverse but conks out when mower deck is lowered. How can I get a wiring diagram for a Murry Select riding mower, model number XSA, with a HP. Mtd 638rl Wiring Diagram. Sep 6, A lot of folks out there have riding mowers. So, in this two part video series, I'll be covering the starting system of a typical riding mower wiring. horse power rideing lawn mower R L yard machine by M T D There is no SOLENOID LOOKING FOR A WIRING DIAGRAM/USER MANUAL FOR MTD.

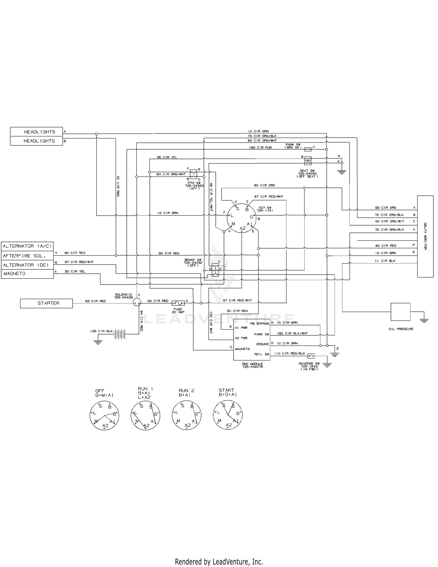
Mtd 13ax771s004 Mtd Gold Lawn Tractor 2011 Wiring Diagram 925 04082 Parts Lookup With Diagrams Partstree

Mastercut By Mtd 13ah451f301 Mastercut By Mtd Lawn Tractor 1998 Scotty S Electrical Switches Parts Lookup With Diagrams Partstree

Wiring Diagram Mtd Lawn Tractor Wiring Diagram And By Mtd Lawn Mower Electrical Diagram Wiring Forums Tractor Yamaha Ybr 125 Ingenieria Mecanica

Wiring Diagram Mtd Lawn Tractor Wiring Diagram And By Mtd Yard Machine Wiring Diagram Wiring Diagram And Kohler Engines Lawn Tractor Tractors

Basic Wiring Diagram For All Garden Tractors Using A Stator And Battery Ignition System Isavetractors
Comments
Post a Comment