39 john deere 185 hydro deck belt diagram
John Deere , , Hydro drive.Belt sizes for John Deere lawn and garden belts. Application, parts number, and belt sizes available. The John Deere was available with either 38 or inch rear deck. A bushel rear bagger (BM) was optional. When the bagger was used on hills, front wheel weights were recommended. John Deere 185 (Belt, Drive S/N 475000 Original Equipment Manufacturer John Deere OEM Part Number A77K Machine Riding Lawn Mower Model 185 (Belt, Drive S/N 475000 Belt Type 4LK/AK Aramid VBG Replacement Id APPL662925 Technical Specifications: (Inches) (mm) Outside Circumference 79.00 2006.60 Top Width 0.50 12.70 Belt Depth 0.3125 7.9375
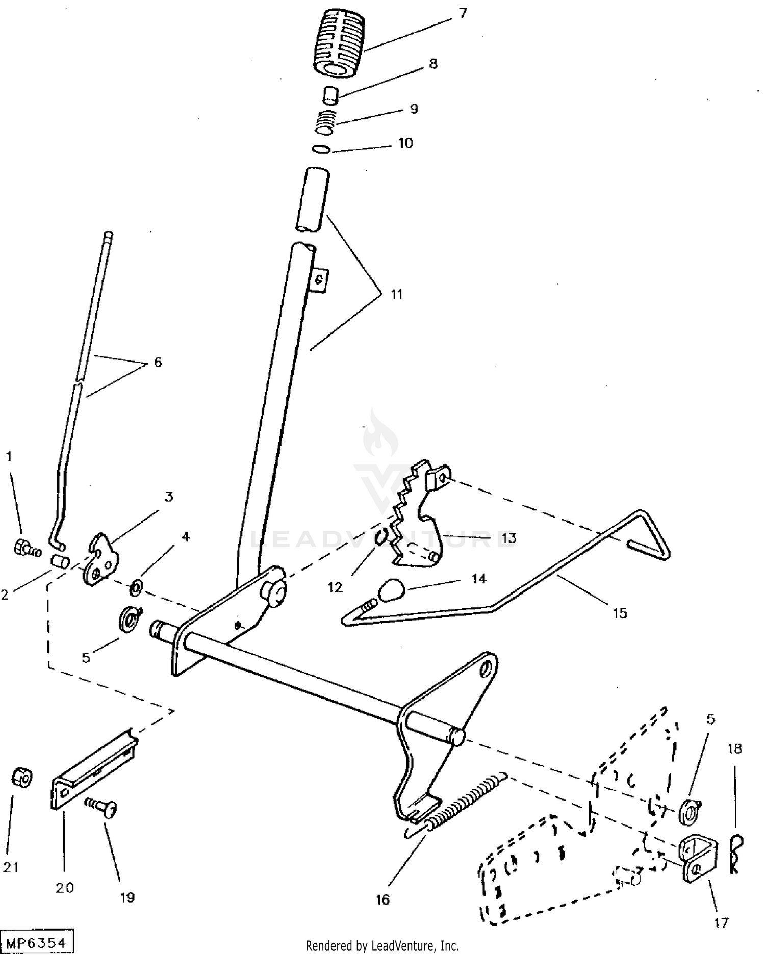
John Deere Parts Lookup -John Deere-185 Lawn Tractor Hydrostatic -PC10393. ... Belt Drive & Idlers 372001 - 475000: Power Train AM103394,AM103389. 185 Lawn ...

John deere 185 hydro deck belt diagram
John deere 185 hydro deck belt diagram. Posted on sep 01 2009. John deere model 185 lawn tractor parts. Mower deck and lift linkage mower deck 1170 46 gage wheels 360001 475000. The john deere 185 drive belt diagram and instructions can be obtained from most john deere dealerships. John deere tillage parts. John Deere Type: Lawn tractor Factory: Horicon, Wisconsin, USA Original price: $3,900 (1990 38-inch ) Original price: $4,100 (1990 42-inch ) The John Deere 185 was available with either 38 or 46-inch rear deck. A 6.5-bushel rear bagger (BM16790) was optional. When the bagger was used on hills, front wheel weights were recommended. How to Change a Drive Belt on a John Deere 185. The John Deere 185, long out of production was one of the square bodied lawn tractors equipped with a single ...
John deere 185 hydro deck belt diagram. Deere 185 Hydro drive belt replacement diagram. This could very well be considered by some John Deere owners to be the "holy grail"! This single diagram saved the life of my 18 y/o Deere..... (for now!) Please enjoy!-johnny. Belt Arrangement For The Mower Deck On A John Deer 185 Riding Lawn Mower The John Deere 185, long out of production was one of the square bodied lawn tractors equipped with a single blade mower deck. Given the age of the mower, ... John deere 185 hydro deck belt diagram. Model 46 mower deck 46 inch deck parts for tractor models 316 onan 318 322 330 and 3321983 model serial no. Riding lawnmower problem fixed. To john deere dealers filing instructions tm 1351 apr 88 130 160 165 175 180 and 185 lawn tractors
27 Apr 2008 — Wow that and old one, I think I used the John Deere parts catalog and looked up the image I checked photo bucket and it not there sorry. : ... John deere 185 hydro drive belt diagram · Discussion Starter • #1 • Apr 27, 2008 Help please. I searched all of this forum and all archived pages and couldn't find a diagram or destructions of how to get a new belt onto my mower. First, remove mower deck (#1). It is not necessary to remove the electric PTO clutch. John Deere 165, 175, 185 Hydro drive belt - First idler, near engine ... John deere 185 hydro drive belt. need install diagram. Posted by deereborne on Sep 04, 2010.
John Deere Parts Diagrams, John Deere 185 Lawn Tractor Hydrostatic -PC10393. AIR FILTER & MOUNTING PARTS: Fuel and Air. Battery Charger Kit: Electrical. BATTERY,BATTERY BASE & CABLES: Electrical. Belt Drive & Idlers 372001 - 475000: Power Train AM103394,AM103389. How to Change a Drive Belt on a John Deere 185. The John Deere 185, long out of production was one of the square bodied lawn tractors equipped with a single ... John Deere Type: Lawn tractor Factory: Horicon, Wisconsin, USA Original price: $3,900 (1990 38-inch ) Original price: $4,100 (1990 42-inch ) The John Deere 185 was available with either 38 or 46-inch rear deck. A 6.5-bushel rear bagger (BM16790) was optional. When the bagger was used on hills, front wheel weights were recommended. John deere 185 hydro deck belt diagram. Posted on sep 01 2009. John deere model 185 lawn tractor parts. Mower deck and lift linkage mower deck 1170 46 gage wheels 360001 475000. The john deere 185 drive belt diagram and instructions can be obtained from most john deere dealerships. John deere tillage parts.
Comments
Post a Comment