41 ct70 wiring diagram
Lifan Wiring Diagram 125cc - Wiring Diagram Line Wire Diagram. Check This Out New A Way Better To Wire In 6 Or 12 Volt System. 110cc Basic Wiring Setup Atvconnection Com Atv Enthusiast Community. Wphmoto Complete Set Of Lifan 125cc Engine Semi Auto 4 Stroke Motor With Wiring Harness Carburetor Chain Sprocket Exhaust Ler Pipe Kit For Trail Bike Ct70 90 110 125 Trike. Honda Motorcycle Wiring Diagrams - Classic Cycles Honda CB650 SC Nighthawk CB 650 Electrical Wiring Diagram Schematic 1982 - 1985 HERE. Honda CB750 Hondamatic CB 750 A Electrical Wiring Diagram Schematic 1976 - 1978 HERE. Honda CB750 K0 K1 CB 750 Electrical Wiring Diagram Schematic 1969 1970 1971 HERE. Honda CB750 K2 CB 750 Electrical Wiring Harness Diagram Schematic 1972 HERE
1974 Ct70 Wiring Diagram - Wiring Diagram Wiring Diagram K2 Thru K6 Ct90. Stay Rectifier For Ct70 Trail 70 1974 Ct70k3 Usa Order At Cmsnl. Index Of Mc Wiringdiagrams. 3 Wheeler World Tech Help Honda Wiring Diagrams. Honda Cl250 Wiring Diagram 4 Stroke Net All The Data For Your Motorcycle And Moped.
Ct70 wiring diagram
filmreview.us › honda-speed-limiterfilmreview.us 1 day ago · The Honda CT70 provides a maximum peak output power of 5. co. To help keep all drivers safe, we have developed suites of features for both the Honda and Acura automotive brands to assist drivers in lowering the risk of collisions. wanted wiring diagram for a 1982 ct70 | PlanetMinis Forums wanted wiring diagram for a 1982 ct70. Jump to Latest Follow 1 - 10 of 10 Posts. D. dav · Registered. Joined Jul 6, 2009 · 7 Posts . Discussion Starter · #1 · Jul 6, 2009. anybody have a wiring diagram for a 1982 ct. i have found plenty of other yrs, but not this one. also looking for a key switch with a key for this bike. ... › honda-service-manuals-deHonda Service-Anleitungen zum Downloaden, gratis! Honda Motorrad Service-Anleitungen zum Downloaden, gratis! Honda Service-Anleitungen zum Downloaden, gratis! Häufig wird für online erhaeltliche Service- und Werkstatthandbücher fuer Motorraeder Geld verlangt, was ich etwas frech finde, da sie im Internet kostenlos zu haben sind. 5 euro online oder lade Dir Dein Honda Handbuch hier kostenlos herunter!!
Ct70 wiring diagram. 1977 Ct70 Voltage Regulator Wiring Diagram - schematron.org $ $ Honda CT90 Wiring Diagram on All Systems Honda CT70 Lifan & Clone Engine 12 Volt Wiring Diagram. DT1 voltage regulator/rectifier 18 Mar #1 but you probably need to find the wiring diagram for the bike it is off of so you get the I did a clone swap years ago in a CT70 and I installed a small 2 wire 6v regulator. › 1852 › 1873Honda Motorcycle Manuals 1950 to 1980 - Classic Cycles Honda CT70 Trail CT 70 Illustrated Parts List Diagram Manual. Honda CT70 Trail CT 70 Owner ... Honda GL1000 Goldwing GL 1000 Service Specifications Wiring Diagram ... filmreview.us 1 day ago · The Honda CT70 provides a maximum peak output power of 5. co. To help keep all drivers safe, we have developed suites of features for both the Honda and Acura automotive brands to assist drivers in lowering the risk of collisions. The D-series also includes the D12, D13, D14, D16, D17 engines, but D15 is the most popular engine in those days. kevinls112 · 24 d … PDF HONDA CT70 1982 Shop Manual Index - CycleChaos Wiring Diagrams ST50 (U.K Type) - 57 ST70 - I (General Export) - 58 ST70 - II (General Export) - 59 CT70 (U.S.A Type) - 60 CT70H (U.S.A Type) - 61 Index - 62 CT70 K4 Addendum - 63 CT70 K6 1977 Addendum - 67 CT70 K7 1978 Addendum - 71 CT70 Z 1979 Addendum - 73 CT70 A 1980 Addendum - 97 CT70 B 1981 Addendum - 115 CT70 C 1982 Addendum - 117
PDF HONDA CT70 with Lifan/clone Repower Wiring Diagram with ... HONDA CT70 with Lifan/clone Repower Wiring Diagram with Electric Starter Drawn by Jon Pardue February 2012/October 2012 these two Red wires should be connected Headlight Jumper 5- wire CDI module Drawn by Jon Pardue September 5, 2006 Starter Starter Switch. HL TL E BAT IG BAT- C 2 W OFF Cord Color I Combination Switching diagram HL C2 IG E BAT ... With this motorcycle, you can ride up to 60km/h with a 37 ... With this motorcycle, you can ride up to 60km/h with a 37 mph maximum! The asking price for this is 9. New listings: 2008 Piaggio MP3 400 Scooter - 950 (Sanford FL), YAMAHA MAJESTY SCOOTER - 200 (palm harbor) Mar 07, 2021 · Dong Fang Four Colour TOPRA GD Flexo Folder Gluer with Vacuum Transfer, Chambered Doctor Blades, Sun Feeder, Servo Top The Dong … Honda Wiring Harness Diagram - The Wiring We hope you enjoyed it and if you want to download the pictures in high quality, simply right click the image and choose "Save As". Condensor ct70_k0_to_82 atc70_all (z50_k0tok2) (z50k6to78) all. Honda Wiring Diagram Symbols Motorcycle wiring Honda C50 Super Cub Electrical Wiring Harness Diagram Schematic HERE. Honda wiring harness diagram. CB450 Color wiring diagram […] PDF 69-0866 - CT70 Heat Pump Thermostat Wiring Guide CT70 wiring hookup diagram, will replace it and that you understand how you will reconnect the wiring. To do that, proceed as follows: Step 1 Find the manufacturer of your heat pump in the Table of Contents, and turn to the appropriate page. Step 2 Expose the wiring on your existing thermostat (the subbase) and check that the terminals on your ...
27+ Honda Ct90 Electrical Diagram PNG - easywiring Ct70 wiring diagrams vintage honda motorcycles. 20/06/2020 · honda cl70 wiring wiring diagram 500. 20/11/2020 · as tim (hollyweird) mentions we have official honda wiring diagrams on our companion web site. A year later, in belgium, the … Upon one, i'll trace the current movement, how it operates, and. Lifan 110cc engine service manual - silverhookstudiosinc.us 2 days ago · Wiring diagrams for lifan 250cc engine diagram rain fuse12 klictravel nl car view specs rk 5752 dinosaur all repair manual zongshen loncin 110cc jazzbasilika de 099e99 roketa harness resources. Lifan 125cc manual engine basic wiring to make it run Lifan 125cc Unboxing and Honda CT70 72cc Comparison 125cc pitbike engine rebuild. Fits150CC Carburetor for … C70 Cdi Wiring Diagram - easywiring Honda c70 wiring diagram images image honda c50 c70 c90c wiring schematic 15 jun 2015. 81 c70 diagram 1 2. The connectors are shown with end on views with. 81 c70 diagram 1 2. 1991 thru 1994 ct70 wire diagram. View and download volvo early design 2000 c70 wiring diagram online. 1977 ct70 wire diagram. I found the answer to my wiring problem. Honda CT70 TRAIL 70 1976 USA parts lists and schematics Honda CT70 TRAIL 70 1976 USA. parts list. With seventy products listed, the TURN SIGNAL K3-79 parts diagram contains the most products. The list contains thirteen Engine, twenty-three Frame, five Other parts fiches. Note that the supplied Honda parts lists may contain important information for repairing your Honda CT70 TRAIL 70 1976 USA.
pirnaer-osterzauber.de Ekzos yypang 125zr - eofv. =) Jan 05, 2022 · Jul 12, 2019 · Yypang Instagram Posts Gramho Com Yamaha Y125zr 125zr 125z 125 Rubber Handle Grip 1 Pair 5bu F6241 00 Blo TDPRO Full Set of Lifan 125cc Engine Semi-Auto 4 Stroke Motor with Wiring Harness Carburetor Chain Sprocket Exhaust Muffler Pipe for Trail Bike CT70 90 110 125 Dirt Bike Trike 3. To Whose like …
CHP Motorsports CLASSIC HONDA PRIVATEER RACING Honda … Also comes with simply wiring diagram: K2 -1999: $58.28: P328: CDI controller for the CDI motors that we sell as well as most all CDI motors on the market. This unit comes stock when you purchase a motor from CHP Motorsports. $30.00: 266: Rectifier/Regulator for your 12 volt system. Universal unit for almost all of the 12 Volt applications required for the new CDI motor. Has a 4 …
1977 Ct70 Voltage Regulator Wiring Diagram CT70 wiring diagrams can be invaluable when troubleshooting or diagnosing electrical problems. These Honda wiring diagrams are from our personal collection of literature and schematics. The copyrights remain with the original holders. This is a post titled Honda Ct70 Wiring Diagram, we will share many pictures for you that relate to " Honda ...
echte-freude-schenken.de › dong-fang-df-scooterWith this motorcycle, you can ride up to 60km/h with a 37 mph ... With this motorcycle, you can ride up to 60km/h with a 37 mph maximum! The asking price for this is 9. New listings: 2008 Piaggio MP3 400 Scooter - 950 (Sanford FL), YAMAHA MAJESTY SCOOTER - 200 (palm harbor) Mar 07, 2021 · Dong Fang Four Colour TOPRA GD Flexo Folder Gluer with Vacuum Transfer, Chambered Doctor Blades, Sun Feeder, Servo Top The Dong Fang or DF 200 GKA is a well known off road ...
Honda Ct70 Wiring Diagram Images - Wiring Diagram Sample Honda Ct70 Wiring Diagram from static-assets.imageservice.cloud Print the wiring diagram off plus use highlighters to trace the signal. When you make use of your finger or perhaps the actual circuit with your eyes, it is easy to mistrace the circuit. 1 trick that We 2 to printing a similar wiring plan off twice.
Honda C70 Wiring Diagram Images - Wiring Diagram Wire diagram ct70k4 also k376. Wiring diagram ct70 wiring diagram doc 500500 1982 honda c70 img source. Even though you have not acquired a utility device in your daily life you are able to securely rough in wiring by using this recommendations within this article. Honda c100 wiring diagram 2 085 1 431 pixels img source.
pirnaer-osterzauber.de › ekzos-yypang-125zrpirnaer-osterzauber.de Ekzos yypang 125zr - eofv. =) Jan 05, 2022 · Jul 12, 2019 · Yypang Instagram Posts Gramho Com Yamaha Y125zr 125zr 125z 125 Rubber Handle Grip 1 Pair 5bu F6241 00 Blo TDPRO Full Set of Lifan 125cc Engine Semi-Auto 4 Stroke Motor with Wiring Harness Carburetor Chain Sprocket Exhaust Muffler Pipe for Trail Bike CT70 90 110 125 Dirt Bike Trike 3.
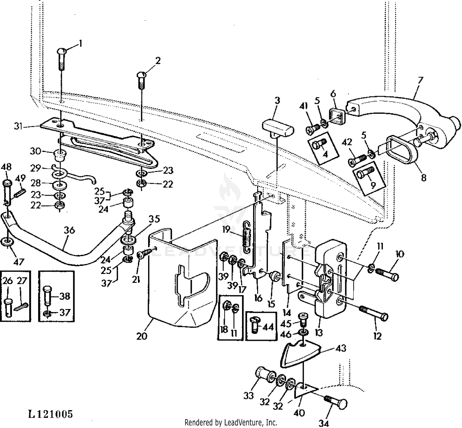
1979 Honda CT70 Parts Diagram: - BikeBandit.com Navigate your 1979 Honda CT70 schematics below to shop OEM parts by detailed schematic diagrams offered for every assembly on your machine. OEM is an acronym for original equipment manufacturer, which means that the 1979 Honda CT70 OEM parts offered at BikeBandit.com are genuine Honda parts.
1982 Ct70 Wiring Diagram - Diaper Prefolds Order CT70 wiring diagrams can be invaluable when troubleshooting or diagnosing electrical problems. 1982 CT110 Wiring Diagram Covers 1982 1983 1984 To read more about the ATC125M engine conversion visit our CT90-CT110-FORUMCOM and. Pit bike engine wiring and Chassis wiring systems. JON PARDUE WIRING DIAGRAM EXPERT.
PDF HONDA CT70 Wiring Diagram Drawn by Jon Pardue September 2008 Wire Harness Wiring Diagram CT70 (U.S.A. Type) Stop Switch (Front) Horn Switch (RH) Highbeam Pilot Lamp 6V-15W Meter Lamp 6V-15W Speedometer Headlight 6V-25/25W Spark Plug A.C. Generator (Condenser and Point Incorporated) Dimmer Switch (LH) TL E BAT IG C C C 2 2 1 BAT-W W W W D o ub le Co nt ac tB ay ne In d xi n g B a s e (B A Y 1 5 D)

WPHMOTO Lifan 125cc Engine Motor And Wire Harness Wiring Kit for XR50 CRF50 XR CRF 50 70 ATC70 110 ATC70 Z50 CT70 CL70 SL70 XL ST70 Dirt Pit Bike ...
Ct70 Lifan Wiring Diagram - schematron.org MSRP: $ Price: ETA 11/ .A High Quality CT70 and Clone Engine wiring diagram is available at schematron.org Apr 02, · Ct70 12 Volt Conversion. This is a discussion on Ct70 12 Volt Conversion within the Z50, CT70 and JDM Monkeybikes forums, part of the General Talk category; I have a 70s ct70 that I put a Lifan in.
Honda Trail Ct90 Wiring Diagram - U Wiring Wiring diagram k2 thru k6 ct90 diagrams 1977 schematic for honda ct200 143263 4 stroke net electrical system stator ct90k0 k1 harness wire trail 1966 k0 usa 68 problems no spark ct70 project lollipop cb100 do the ton 3 wheeler world tech help 1964 90 1972 k4 auto parts accessories 1991 1994 atc90 us90.
1977 Honda Ct70 Lighting Wiring Diagram within the Z50, honda ct70 wiring diagram, honda ct70 wiring diagram, ct wiring diagrams, 6v rectifier output voltage ct70, ct70 wiring diagram, lifan wire diagram ct70 12 v, will clone ct70 wiring. Feb 02, · If anyone knows of a source for the factory CT70 wiring diagrams, it looks like I only have the Chilton variety K0 drawn.
1982 Honda Ct70 Wiring Diagram - Wiring World Honda Ct70 Wiring Diagram With Electrical Pics To Motorcycle Wiring Electrical Wiring Diagram Electrical Diagram . Honda C70 Wiring Diagram Images Honda C70 Honda Diagram . Ghim Tren Screenshots . Honda 110 Atc This One We Had In Red And Blue Mine Was Red Honda Classic Honda Motorcycles Drift Trike .
Time to wire the 1971 Honda CT70 Trail 70. - YouTube 100% of all the wiring, lights, and electrical were removed from this little bike many decades ago, they even cut off the headlight mounting brackets. I have...
silverhookstudiosinc.us › lifan-110cc-engine-serviceLifan 110cc engine service manual - silverhookstudiosinc.us 2 days ago · Wiring diagrams for lifan 250cc engine diagram rain fuse12 klictravel nl car view specs rk 5752 dinosaur all repair manual zongshen loncin 110cc jazzbasilika de 099e99 roketa harness resources. Lifan 125cc manual engine basic wiring to make it run Lifan 125cc Unboxing and Honda CT70 72cc Comparison 125cc pitbike engine rebuild.
Honda CT70 TRAIL 70 1974 CT70K3 USA parts lists and schematics Honda CT70 TRAIL 70 1974 CT70K3 USA. parts list. This TURN SIGNAL K3-79 fiche contains the largest amount of spare parts with seventy listed items thirteen Engine, twenty-three Frame, five Other page parts fiche for CT70 TRAIL 70 1974 CT70K3 USA. Access forty-one schematic parts-list fiches for CT70 TRAIL 70 1974 CT70K3 USA.
CT70 Wiring Diagrams - Vintage Honda CT70 motorcycles. CT70 wiring diagrams can be invaluable when troubleshooting or diagnosing electrical problems. These Honda wiring diagrams are from our personal collection of literature and schematics. The copyrights remain with the original holders. The color code legend applies to most, but not all Hondas.
Newsletter Signup - Hollywood.com Newsletter sign up. In subscribing to our newsletter by entering your email address you confirm you are over the age of 18 (or have obtained your parent’s/guardian’s permission to subscribe ...
Honda Motorcycle Manuals 1950 to 1980 - Classic Cycles Honda CT70 Trail CT 70 Illustrated Parts List Diagram Manual. Honda CT70 Trail CT 70 Owner Operator Instruction Manual. Honda CT90 Trail CT 90 Exploded View Parts List Diagram Schematics. Honda CT90 Trail CT 90 Owner Operator Instruction Manual. Honda CT90 Trail CT 90 Workshop Service Repair Manual 1966 to 1979. Honda CT110 CT 110 Trail Electrical …
1979 CT70 WIRE DIAGRAM - dratv.com click on pic to go full page ... click on pic to go full page
WIRING DIAGRAMS - DrATV CM91 ?? WIRING DIAGRAM CT90K0/K1. WIRING DIAGRAM K2 THRU K6 CT90. WIRING DIAGRAM 1977 CT90. S90 US IMPORTED. WIRE DIAGRAM S90.
How to identify Honda wire colors - 4-stroke.net 1991-08-05 · The August Full Cycle release, "How to Read Honda Wiring Diagrams", will refer you to this chart so please keep it around as d reference. Copies won't be included with the program, but you can order extras (it's form S1149) using the Dealer Promotional Order Form.
TBolt USA Tech Database - TBolt USA, LLC Pit bike engine wiring and Chassis wiring systems; Honda XR/CRF50 & 70 Wiring; Lighting and Auxiliary Output; Understanding CDI Wiring Pinout; Pit Bike Ignition Coil connections; 6V Stator replacement info CT70 and Z50; CT70 Wiring Diagrams; Piranha YX140 and Others with 2 yellow accessory leads; JON PARDUE WIRING DIAGRAM EXPERT
Does anybody have a wiring diagram for a 1980 ct70 ... I'm looking for a wiring diagram for a 1980 ct70. I've checked just all the sources and diagrams on the web that i could find, but i cant seem to find one that matches up. The bike is all original and in fantastic condition except for a power issue. The current wiring harness appears to be original. The bike has turn signals and is a 6 volt system.
Honda Service-Anleitungen zum Downloaden, gratis! Honda CA77 Dream 305 Illustrated Parts List Diagram Manual. Honda CA95 Benly 150 Touring Parts List Diagram Manual. Honda Common Maintenance Repair Service Manual . Honda anf125_karisma_2002 Workshop Manual. Honda atc70 Workshop Manual. Honda cb400_1978_-_1981 Workshop Manual. Honda CB400f_1972 Workshop Manual. Honda_250R. Honda 1981 …
› honda-service-manuals-deHonda Service-Anleitungen zum Downloaden, gratis! Honda Motorrad Service-Anleitungen zum Downloaden, gratis! Honda Service-Anleitungen zum Downloaden, gratis! Häufig wird für online erhaeltliche Service- und Werkstatthandbücher fuer Motorraeder Geld verlangt, was ich etwas frech finde, da sie im Internet kostenlos zu haben sind. 5 euro online oder lade Dir Dein Honda Handbuch hier kostenlos herunter!!
wanted wiring diagram for a 1982 ct70 | PlanetMinis Forums wanted wiring diagram for a 1982 ct70. Jump to Latest Follow 1 - 10 of 10 Posts. D. dav · Registered. Joined Jul 6, 2009 · 7 Posts . Discussion Starter · #1 · Jul 6, 2009. anybody have a wiring diagram for a 1982 ct. i have found plenty of other yrs, but not this one. also looking for a key switch with a key for this bike. ...
filmreview.us › honda-speed-limiterfilmreview.us 1 day ago · The Honda CT70 provides a maximum peak output power of 5. co. To help keep all drivers safe, we have developed suites of features for both the Honda and Acura automotive brands to assist drivers in lowering the risk of collisions.
Comments
Post a Comment