39 john deere lt180 drive belt diagram
PDF John Deere Lt155 Parts Manual - jobs.blueridgenow.com John Deere LT155 How To Do Spring Time Maintenance on your Mower Deck John Deere LT133 LT150 LT155 LT160 LT166 LT170 Riding Mower Deck Belt Diagrams DIY Repair Manual AYP - MTD, John Deere, Sears Craftsman John Deere LT155 Running Driving Tear Down into parts LOT 2227A PDF John Deere Lt155 Parts Manual - homes.theledger.com SHUT OFF LEAKING John Deere Push Mower No Start Condition- General Information JD LT155 Drive Belt Falls OffHow to replace a transmission drive belt on John Deere L 130 lawn tractor mower Repairing a John Deere Mower Deck A New Project - 2000 John Deere LT155 (First Start in 3 Years) How to LEVEL your mower deck (John Deere) Part 1 John Deere L ...
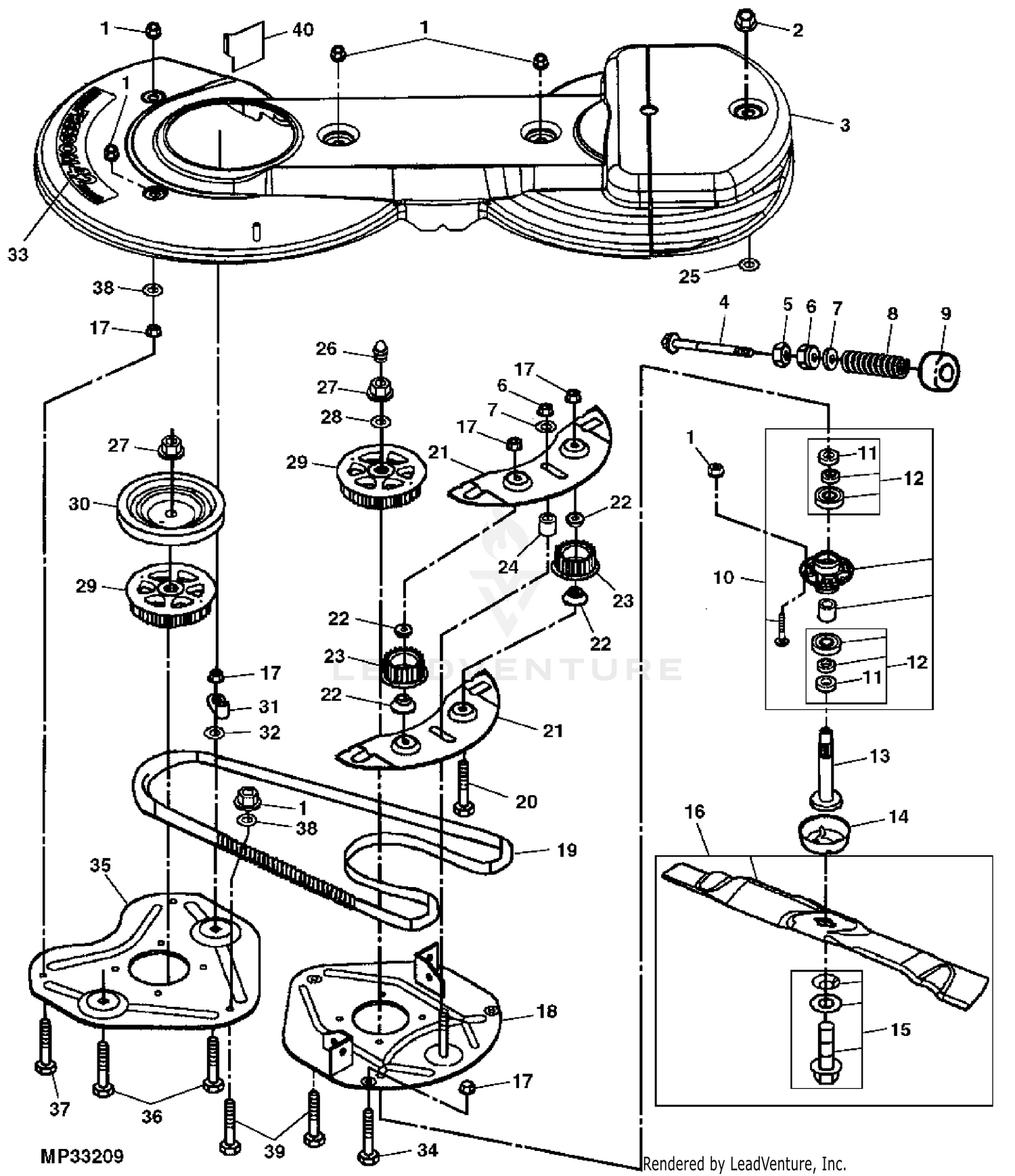
PDF John Deere 48c Mower Deck - salem.m.wickedlocal.com Change Mower Deck Belt for John Deere x300 310 350 etc An Often Overlooked John Deere ... 6 product ratings - John Deere 48C Mower Deck Mulch Blades - 48'' - LT166, LT170, LT180, LT190 john deere 48c mower deck for sale | eBay John Deere 42" Lawn Mower Deck Rebuild Kit 4.3 out of 5 stars 491. $102.99. 8TEN Deck ... DRIVE BELT, SHEAVES, SPINDLES ...

John deere lt180 drive belt diagram
PDF John Deere Lt155 Manual Mower Drive Belt (Freedom 42) Adjusting Mower Timing Belt ... Service Mower - Deere John Deere LT155 The John Deere LT155 is a 2WD lawn tractor from the LT series. This tractor was manufactured by John Deere in Horicon, Wisconsin, USA from 1998 to 2001. The John Deere LT155 is PDF Lt133 John Deere Manual SAFETY SWITCHES on a John Deere L108 How to Remove John Deere Deck easily John Deere LT 155 Riding Lawn Mower - REPLACING THE DRIVE / TRACTION BELT ! HOW TOPart 1 John Deere L Series Transmission Repair- Removal ⭐️ John Deere L120 Wiring Diagram Lt133 John Deere Manual LT133, LT155 & LT166. Lawn Tractors. TECHNICAL. MANUAL. John Deere. PDF John Deere Lx277 48c Deck Manual Blades, Traction Drive Belt, Transmission Belt, Mower Drive Belt, Battery, and Air Filters. John Deere LX277 Lawn Tractor Parts 48C Mower Deck JOHN DEERE 48C DECK Lx255 Lx266 Lx277 Lx288 Lx279 GT345 JOHN DEERE LX200 SERIES & GT200 GT300 SERIES GARDEN John Deere 48c Mower Belt Diagram - The Best Photos Of Deer John Deere X540 Garden Tractor Spare
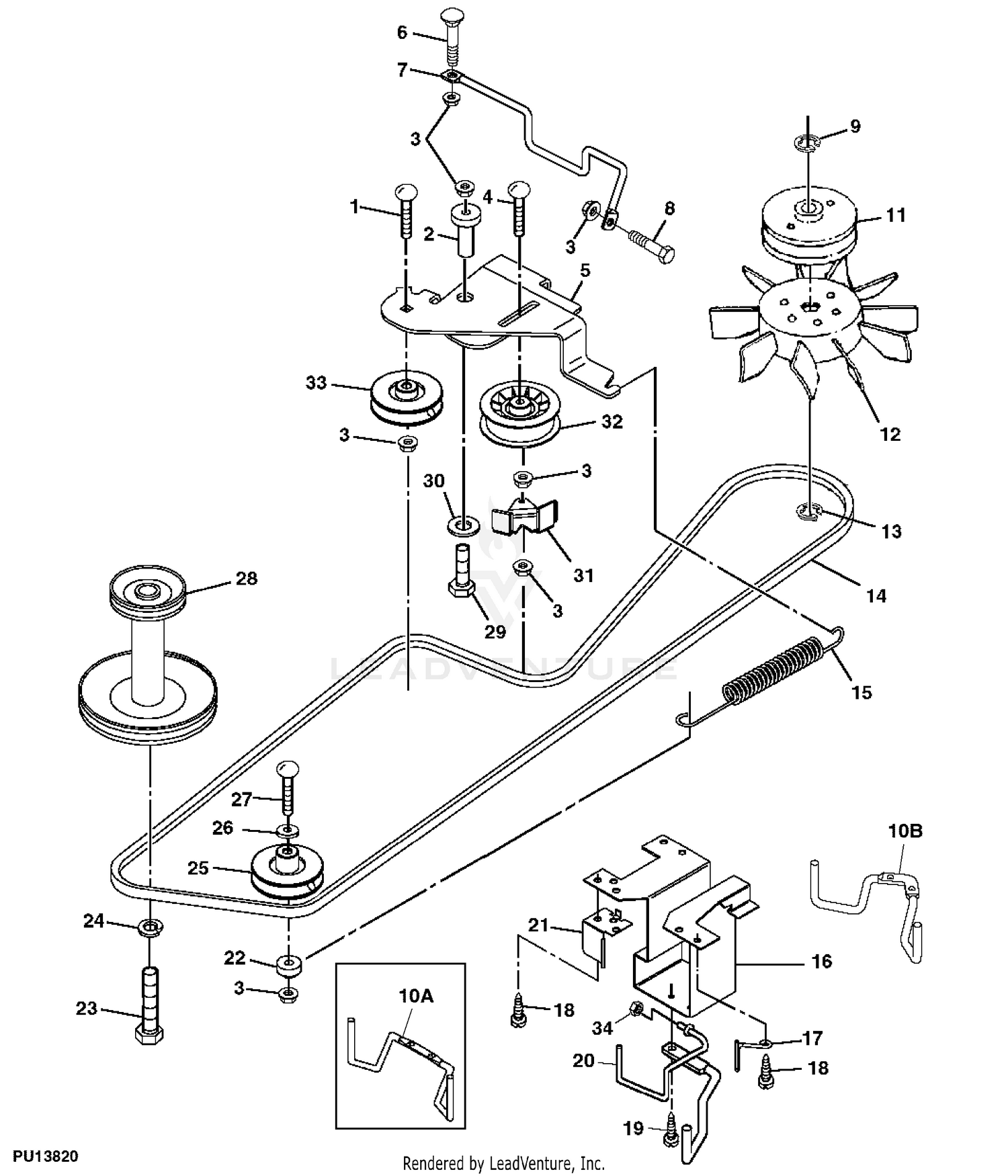
John deere lt180 drive belt diagram. TractorData.com John Deere LT160 tractor information John Deere. Lawn tractor. Built in Horicon, Wisconsin, USA. Original price was $2,779 in 2005. John Deere LT160 Engine. 16HP Kohler 1-cyl gasoline. Fuel tank. 2 gal. 7.6 L. PDF John Deere Service Manual Lt160 - homes.ohio.com LT160 JOHN DEERE DRIVE BELT Fuel Pump Replacement | Electric Pump Conversion Farm Tractor Manuals - Find your Antique Tractor Service, ... john deere lt150 lt160 lt170 lt180 technical manual - PDF ... TECHNICAL MANUAL Litho in U.S.A John Deere Lawn & Grounds Care Division 130, 160, 165, 175, 180, and 185 Lawn Tractors TM1351 PDF Scotts 1642 H Owners Manual john deere tractor wiring diagram further chapter wiring diagram john deere lt furthermore . Scotts 1642h Parts Diagram - schematron.org Dec 17, · Scotts H Wiring Problem I have a Scotts 16HP 42" Cut riding lawn mower that was given to me due to my buddy's dog chewing ... Hi , I need a drive belt routing diagram for a Scotts ( made by John ... TractorData.com John Deere LT160 tractor transmission ... John Deere LT160 tractor transmission. Transmission: Transmission: Tuff Torq K46 Type: belt-driven hydrostatic Gears
John Deere Transmission Drive Belt - john deere z425 oil ... John Deere Transmission Drive Belt - 13 images - schematics on an l120 idler tension pulley spring bought, john deere transmission drive belt jdm144044, john deere z425 belt diagram wiring site resource, john deere d105 drive belt diagram hanenhuusholli, PDF John Deere Lt155 Parts Manual - games.ohio.com SHUT OFF LEAKING John Deere Push Mower No Start Condition- General Information JD LT155 Drive Belt Falls OffHow to replace a transmission drive belt on John Deere L 130 lawn tractor mower Repairing a John Deere Mower Deck A New Project - 2000 John Deere LT155 (First Start in 3 Years) How to LEVEL your mower deck (John Deere) Part 1 John Deere L ... PDF John Deere Lt166 Manual John Deere Service Manual Download How To Diagnose Transmission Problem and Replace Trans Pulley On A John Deere LT160 - Andy Squared INSTALLING JOHN DEERE SNOW BLADE IN 2019Fixing my John Deere LT 166 How To Replace The Deck Drive Belt On A John Deere LT160, Freedom 42\" (Chris-fix Style) Part 1 John Deere L Series Transmission Repair- Removal ... PDF John Deere Mower Deck 48c Oem Oem Owners Manual JOHN DEERE L130 MOWER DECK BELT John Deere Idler Pulley FixJohn Deere X300 or X500 Mower Deck Removal ... How to Replace Drive Belt John Deere X320 Riding Mower belt M151277 Transmission ... 48'' - LT166, LT170, LT180, LT190 john deere 48c mower deck for sale | eBay Nice Used John Deere 48C 48 inch convertible mower deck LT160 LT166 LT180 LT190 ...
John Deere Complete 42″ Mower Deck for LA105, LA115, LA125 ... John Deere Complete 42" Mower Deck for LA105, LA115, LA125, L100,L110, and More New 42 complete mower deck, part number BG20814. This deck has been through several part # changes. It started out as a BG20261, then BG20373, Then BG20471, then BG20696, then BG20705 and finally to BG20814. These are all the same decks and PDF John Deere 48c Mower Deck Manual NEW John Deere Edge 48C Convertible Mower Deck LT Series BM20801. $700.00. John Deere 208 210 212 214 216 Tractor #47 47" Mowing Deck. $287.49. John Deere 314,316,318,322 Garden Tractor-50" Mower Deck . $599.99. or Best Offer. 20 watching. JOHN DEERE 42 MULCH MOWER DECK LX255 LX266 LX266 LX277 Lx279 Lx289 Gt235 Gt225. PDF John Deere Lt133 Manual Free - lno.wickedlocal.com Easy fix. Air in fuel lines. Replacing the transmission drive belt and the 2 tensioner pulleys on a John Deere tractor John Deere Mower Deck Won't WorkMy new John Deere LT133 John Deere Service Manual Download JOHN DEERE 100 SERIES WON'T START LT133 no crank diagnosis and repair John Deere tractor rider Mowing with the LT133's restored deck. PDF John Deere Lt155 Parts Manual - classifieds.swtimes.com LT160 LT166 LT170 Riding Mower Deck Belt Diagrams DIY Repair Manual AYP - MTD, John Deere, Sears Craftsman John Deere LT155 Running Driving Tear Down into parts LOT 2227A How to Install Steering Sector and Pinion Gear on John Deere Steering Sector \u0026 Pinion Gear Replacement - John Deere LA145 Riding Mower John Deere Lawn Tractor won't ...
PDF John Deere 48c Mower Deck Manual File Type NEW John Deere Edge 48C Convertible Mower Deck LT Series BM20801. $700.00. John Deere 208 210 212 214 216 Tractor #47 47" Mowing Deck. $287.49. John Deere 314,316,318,322 Garden Tractor-50" Mower Deck . $599.99. or Best Offer. 20 watching. JOHN DEERE 42 MULCH MOWER DECK LX255 LX266 LX266 LX277 Lx279 Lx289 Gt235 Gt225.
PDF Service Manual Lt133 John Deere Maintenance John Deere Idler Pulley Replacement, LT 133 Page 10/42. Acces PDF Service Manual Lt133 John Deere Model Shown Service Manual Lt133 John Deere This John Deere LT133 Lawn and Garden Tractor service manual is the same service manual used by professional John Deere technicians. All pages are printable, so run
John Deere X300 Transmission Belt - john deere ... John Deere X300 Transmission Belt. Here are a number of highest rated John Deere X300 Transmission Belt pictures on internet. We identified it from well-behaved source. Its submitted by running in the best field. We allow this nice of John Deere X300 Transmission Belt graphic could possibly be the ...
PDF John Deere 160 Lawn Tractor Repair Manual replace a transmission drive belt on John Deere L 130 lawn tractor mower How To Install Tire Chains On A John Deere Riding Lawn Mower ... John Deere Front Bumper Lawn Tractor LT150 LT155 LT160 LT166 LT170 LT180 LT190. $114.95. 8 left. Carburetor For John Deere LT160 Tractor Kohler CV460S Engine w/ Fuel Filter US. $14.95.
GX20072 John Deere Belt :: AVS.Parts Ganivsor Kevlar Deck Belt GX20072 for John Deere LA100 LA105 LA110 LA115 42" Riding Mower ... Mower Drive Belt, Sheaves, Spindles And Blades (SN -A130000, -B020000) » Flat ... G110, L100, L105, L110, L111, L118, LT150, LT160, LT170, LT180, LT190, S80, SCOTTS . MIA12479 Belt Kit D105, X105 ET13995 Belt 519 DMA210118 Belt Tensioner 3TNV82A, 997
PDF John Deere 160 Repair Manual - relish.ohio.com Mower Deck Fixing the Brakes on a John Deere 180 (160-180 series) HOW TO TROUBLESHOOT and DIAGNOSE a JOHN DEERE RIDING LAWNMOWER that WON'T START How to replace the transmission on John Deere riding lawn tractor SAVED FROM THE SCRAP, John Deere Will IT Run Series, 3 of 3Drive Belts John Deere 160 and 170 180 Series mower. How to
PDF John Deere 160 Belt Diagram Manual - mobile.dispatch.com Replacement John Deere Deck Belt Replacement How to change mower belt John Deere D170 John Deere D170 drive belt replacement DIY Traction Drive Belt John Deere 160 Belt Diagram The John Deere 160 riding lawnmower uses a double blade mowing deck for cutting grass. The blades spin due to a series of pulleys mounted to the topside of the mower deck.
PDF John Deere Lt133 Service Manual Nuanceore Not Move or Drive - VIDEO Mowing and an Update on the John Deere LT155 ... LT 133 Gas Page 12/54. Online Library John Deere ... Maintenance John Deere LT133, LT155 \u0026 LT166 Lawn Tractor Manual TM 1695 John Deere Deck Belt Replacement How to Service John Deere E100 Lawn Tractor Page 13/54. Online Library John Deere Lt133 Service Manual Nuanceore
PDF John Deere Lt155 Repair Manual - cars.statesman.com Ask Joe! 5 Tips on Troubleshooting a Lawnmower (John Deere X300) How to fix rough running john deere lawn tractor Small Engine Repair: Checking a Vacuum Fuel Pump / Fuel System on a Kohler V-Twin Engine John Deere L110 transmission fluid change John Deer JS-48 John Deere E Tutorial John Deere LT133, LT155 \u0026 LT166 Lawn Tractor Manual TM ...
PDF John Deere Lt133 Manual Free - scene.gainesville.com Easy fix. Air in fuel lines. Replacing the transmission drive belt and the 2 tensioner pulleys on a John Deere tractor John Deere Mower Deck Won't WorkMy new John Deere LT133 John Deere Service Manual Download JOHN DEERE 100 SERIES WON'T START LT133 no crank diagnosis and repair John Deere tractor rider Mowing with the LT133's restored deck.
John Deere Mower Drive Belt - john deere d140 riding lawn ... John Deere 111 Mower Belt Diagram, John Deere 110 Garden Tractor Mower Clutch Intermediate, I Replaced The Mower Deck Belt For An Lt180 But It Is, Change Mower Deck Belt For John Deere X300 310 350 Etc,
PDF John Deere Lx277 48c Deck Manual Blades, Traction Drive Belt, Transmission Belt, Mower Drive Belt, Battery, and Air Filters. John Deere LX277 Lawn Tractor Parts 48C Mower Deck JOHN DEERE 48C DECK Lx255 Lx266 Lx277 Lx288 Lx279 GT345 JOHN DEERE LX200 SERIES & GT200 GT300 SERIES GARDEN John Deere 48c Mower Belt Diagram - The Best Photos Of Deer John Deere X540 Garden Tractor Spare
PDF Lt133 John Deere Manual SAFETY SWITCHES on a John Deere L108 How to Remove John Deere Deck easily John Deere LT 155 Riding Lawn Mower - REPLACING THE DRIVE / TRACTION BELT ! HOW TOPart 1 John Deere L Series Transmission Repair- Removal ⭐️ John Deere L120 Wiring Diagram Lt133 John Deere Manual LT133, LT155 & LT166. Lawn Tractors. TECHNICAL. MANUAL. John Deere.
PDF John Deere Lt155 Manual Mower Drive Belt (Freedom 42) Adjusting Mower Timing Belt ... Service Mower - Deere John Deere LT155 The John Deere LT155 is a 2WD lawn tractor from the LT series. This tractor was manufactured by John Deere in Horicon, Wisconsin, USA from 1998 to 2001. The John Deere LT155 is
Comments
Post a Comment