39 troy bilt wiring diagram
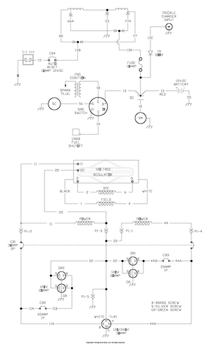
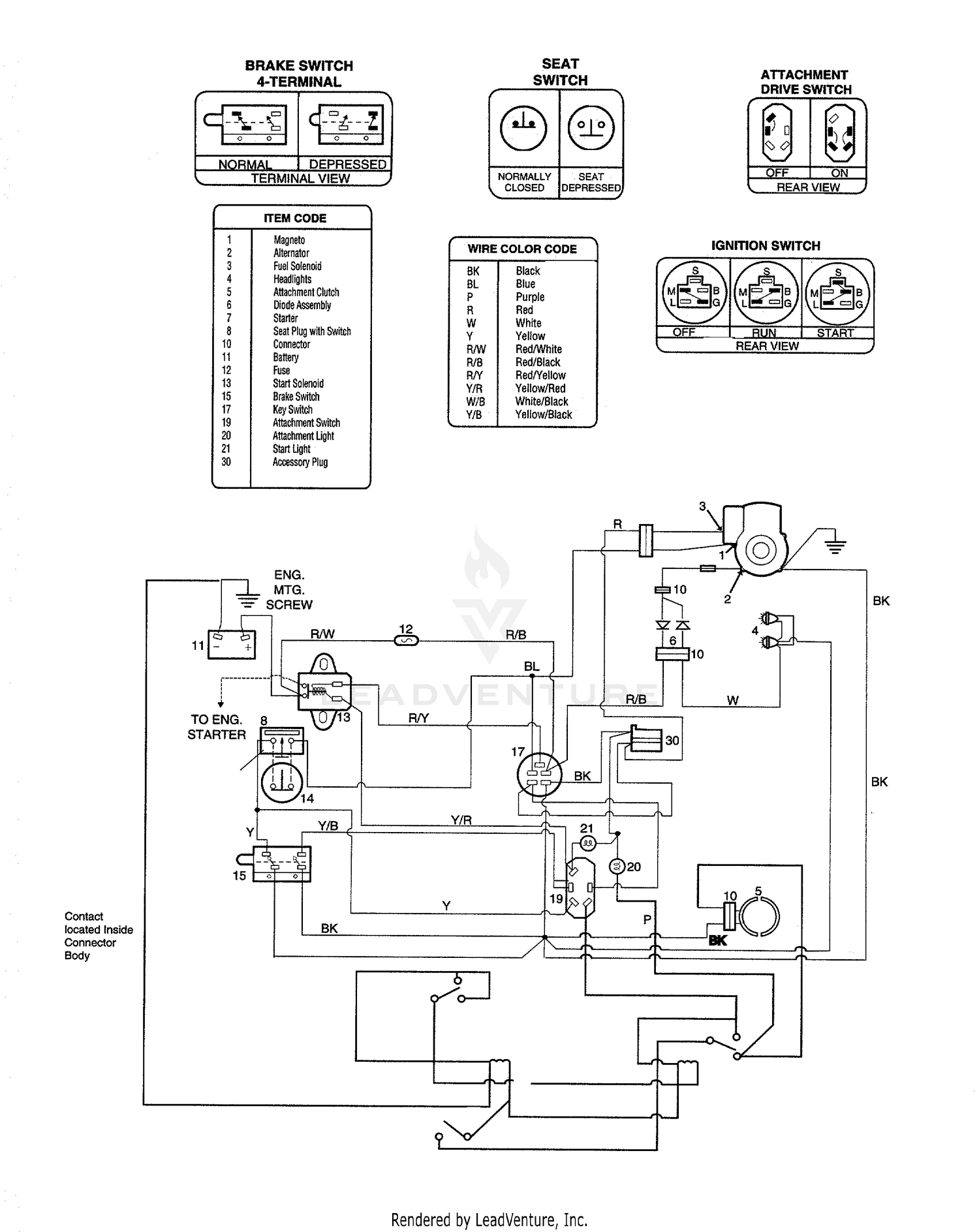
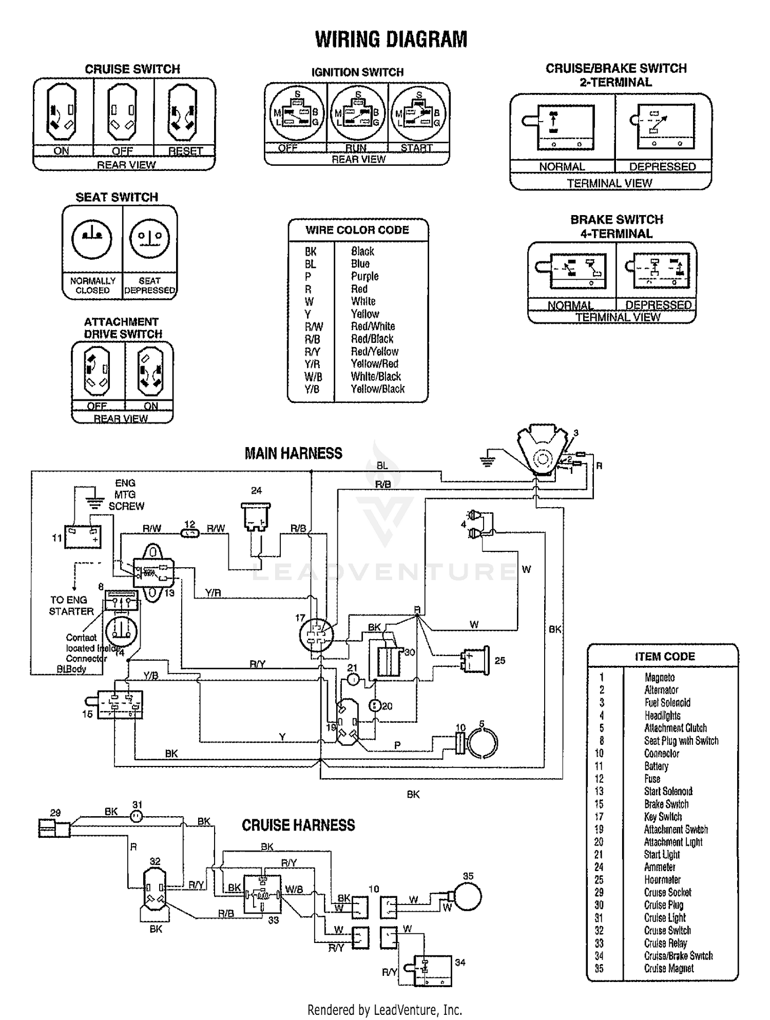
Troy-Bilt Parts Diagrams Engine Disclaimer: The engine horsepower information is provided by the engine manufacturer to be used for comparison purposes only. See your local servicing retailer for warranty details. Pricing Disclaimer: Posted price is in US Dollars and is the manufacturer's suggested sale price. Available models and pricing may vary by location. Wiring Diagram For Troy Bilt Bronco Wiring Diagram For Troy Bilt Bronco. Displaying Wiring Schematic parts for the Troy-Bilt TB42 (13WV78KS) - Troy- Bilt Bronco Lawn Tractor (). Browse all parts by section for this model. The Bronco lawn tractor made by Troy-Bilt has a fuse installed inside the wiring harness. The amp fuse prevents excessive amperage from damaging its.
Troy Bilt Pony Wiring Diagram - schematron.org We are here to help - over genuine Troybilt repair and replacement parts that are I NEED A DETAILED WIRING DIAGRAM FOR A TROY BILT PONY. Find solutions to your troy bilt riding mower wiring diagram question. Troy-Bilt Pony model 13AN77TG ( HP, 42 inch deck): when I pushed the handle. Electrical wiring diagrams may be found in the Operator's Manual.

Troy bilt wiring diagram
Troy-Bilt Operator's Manuals & Illustrated Parts Diagrams Yes, printed Troy-Bilt Operator's Manuals, Illustrated Parts Lists and Troy-Bilt / MTD Engine Manuals are available for purchase. The price for a pre-printed manual is typically less than $20+s/h, but can range up to $45+s/h for larger documents. auto1x1.de 4 terminal solenoid diagram. email protected] 5.7 Hemi Firing Order Diagram - Wiring Diagrams Wiring Diagram For Heil Furnace; Hoover Spinscrub 50 Parts Diagram; Swm 5 Lnb Wiring Diagram; Neutrik Speakon Wiring; Troy Bilt Bronco Riding Mower Belt Diagram; Fission And Fusion Venn Diagram; Pioneer Fh X720bt Wiring Harness Diagram; 2002 Dodge Caravan 3.3 Serpentine Belt Diagram; Kenwood Kdc 210u Wiring Diagram ; 3l1t-18c868-aa Audio Unite …
Troy bilt wiring diagram. Kubota B26 (4WD TRACTOR) Parts - Messick's b50100 electrical wiring (body) b50700 electrical wiring (canopy) engine. 000300 cylinder head. 000400 gear case . 010100 camshaft and idle gear shaft. 010200 piston and crankshaft. 020600 nozzle holder and glow plug. 020700 nozzle holder [component parts] 000100 crankcase. 000200 oil pan. 000301 cylinder head. 000302 cylinder head. 000401 gear case. frequently used items. … 2009 Troybilt Pony Wiring Diagram 2009 Troybilt Pony Wiring Diagram. Electrical wiring diagrams may be found in the Operator's Manual. More in-depth electrical troubleshooting information may also be found in the Professional. Troy Bilt 13AN77KG Pony () Exploded View parts lookup by model. Complete exploded views of all the major manufacturers. It is EASY and FREE. Troy Bilt Bronco 13av60kg011 Wiring Diagram - schematron.org troy bilt 13av60kg troy . The Bronco lawn tractor made by Troy-Bilt has a fuse installed inside the wiring harness. The amp fuse prevents excessive amperage from damaging its.Need to fix your 13AV60KG () Bronco? We have parts, diagrams, accessories and repair advice to make your tool repairs easy. Maintenance Schedule Before Each Use. Electrical Wiring Diagrams - Troy-Bilt Troy-Bilt Operator's Manuals & Illustrated Parts Diagrams Number of Views184.88K Engine Shuts Off Upon Cutting Deck Engagement - Riding Mower Number of Views17.99K Clicking Sound While Attempting to Key Start - Riding Mower Number of Views119.18K Fuse Blown - Riding Mower Number of Views12.44K Safety Interlock Switch Locations - Riding Mowers
Wiring Diagram For Troy Bilt Zero Turn - schematron.org Wiring Diagram For Troy Bilt Zero Turn 16.11.2018 7 Comments There are safety interlocks on zero turn mowers. These prevent starting unless you have: 1. the handles in 'neutral' position 2. the brake on 3. Troy Bilt Lawn Mower Model 4bv809h063 Wiring Diagram Troy Bilt Lawn Mower Model 4bv809h063 Wiring Diagram. Troy Bilt 13WN77KS Pony () Wiring Schematic Exploded View parts lookup by model. Complete exploded views of all the major manufacturers. Electrical wiring diagrams may be found in the Operator's Manual. More in-depth electrical troubleshooting information may also be found in the Professional. Troy-Bilt 13WX79KT011 Horse XP (2011) Wiring Diagram ... Shop online for OEM Wiring Diagram parts that fit your Troy-Bilt 13WX79KT011 Horse XP (2011), search all our OEM Parts or call at 717-375-1021 Troy Bilt Mustang Xp 50 Wiring Diagram troy bilt xp wiring diagram along with 8 horse kohler engine furthermore kohler generators 50 wiring schematic along with poulan belt routing diagrams moreover 72cm yamaha 4 wheeler wiring diagrams as well as 17afcacp mustang 50 xp as well as troy bilt watt generator wiring diagram furthermore electric weed eater as well as poulan belt routing …
Troy Bilt Pony Solenoid Wiring Diagram - schematron.org The operator manual for your mower should include a diagram of the. below will determine if the solenoid is good or bad. 1. . Refer to the wiring schematic for information on the routing of wires to and from the key switch. 4. Displaying Wiring Schematic parts for the Troy-Bilt 13WN77KS - Troy-Bilt Pony Lawn Tractor (). Troy Bilt Rzt 50 Wiring Diagram Here you find the spare parts for Troy-Bilt Wiring diagram. Get free help, tips & support from top experts on rzt 50 wiring schematic related issues. troy bilt ride lawn mower Where is the voltage regulator located?. Cub Cadet RZT Diagrams and Manuals. Shop for Cub Cadet RZT50 Parts. Cessna 172 Instrument Panel Diagram - Wiring Diagrams Free 19/04/2019 · F5h078 Wiring Diagram; Troy Bilt Pony Carburetor Diagram; Hubbell Booster Wiring Diagram; Sew Encoder Wiring Diagram; Hsh 5 Way Wiring Diagram Dimarzio; Marine Air Vcp16k Wiring Diagram; Simple Guitar Pickup Wiring Diagram 2 Humbuckers 3 Way Blade Switch; Adjustable Cdi Yamaha Superjet 650 Wiring Diagram; Fh020aa Wiring Diagram; Spa … Molecular Orbital Diagram For Ne2 - Wiring Diagrams Free 21/11/2018 · Troy Bilt Pony Drive Belt Diagram; Huskee Slt5400h Lawn Mower Wiring Diagram; Ezgo Curtis 1205m Controller Wiring Diagram; 4ac Engine Wiring Diagram; Dr Dre Beats Wiring Diagram; Gy20074 Wiring Diagram; Escalade 5th Wheel Rv Tail Light Wiring Diagram; Pioneer Deh X1910ub Wiring Diagram; Wiring Diagram Forboss Model Bv9384nv ; 1996 …
Wiring Diagram For 2007 Troy Built Pony Model #13an77tg766 Jan 02, · Troy bilt wiring diagram. 13an77tg Posted by bill winschel on May 26, Looking for a wiring diagram for a '13 troy bilt pony. Did you try Troy Built web site or wiringall.com them? Jun 12, | Troy Garden. 1 Answer Troy-bilt model 13AN77TG wont go forward or backward. Belts seem to be moving fine.
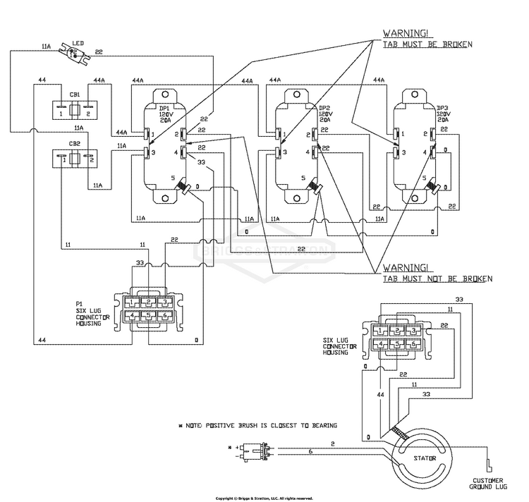
030475A-00 - Troy-Bilt 6,000 Watt Portable Generator Parts ... 030475A-00 - Troy-Bilt 6,000 Watt Portable Generator. Parts Lists & Diagrams. 6,000 Watt Portable Generator.
Kubota BX2200D (4WD DSL TRA W/ROPS & S.B. W/O TIRES) … b50101 electrical wiring. b50102 electrical wiring. engine. 100100 crankcase. 100200 oil pan. 100300 cylinder head. 100400 gear case . 100500 head cover. 100600 oil filter. 100700 dipstick and guide. 110000 main bearing case. 110100 camshaft and idle gear shaft. 110200 piston and crankshaft. 110300 flywheel. 110500 fuel camshaft and governor shaft. 120000 idle apparatus. …
Troy Bilt 13an17tg77 Riding Mower Wiring Diagram Electrical wiring diagrams may be found in the Operator's Manual. More in-depth electrical troubleshooting information may also be found in the Professional. have a troy-bilt riding mower. place a gear in neutral and park it. it dies instead idling. want to The page your wiring diagram is on will open. How to rewire a riding lawn mower super easy
Troy Bilt 13WN77KS011 Pony (2013) Parts Diagram for Wiring ... Troy Bilt 13WN77KS011 Pony (2013) Wiring Schematic Exploded View parts lookup by model. Complete exploded views of all the major manufacturers. It is EASY and FREE
Wiring Diagram For Troy Bilt Pony Riding Mower - Wiring ... Troy Bilt 13an77ks211 Pony Lawn Tractor 2013 Wiring Schematic Parts Lookup With Diagrams Partstree. Troy Bilt 13076 20hp Hydro Garden Tractor S N 130760100101 Parts Diagram For Wiring. Troy Bilt 13105 Ltx Hydro Lawn Tractor S N 131050100101 Parts Diagram For Wiring. Noobie With A Troy Bilt Pony My Lawnmower Forum.
Troy Bilt Xp 7000 Generator Wiring Diagram back to troy-bilt generator model: or troy-bilt watt portable troy-bilt xp running-watt portable generator with briggs.troy bilt generator wiring diagram ~ thanks for visiting our site, this is images about troy bilt generator wiring diagram posted by ella brouillard in troy category on oct 31, you can also find other images like wiring diagram, …
Riding Mower, Starting System Wiring Diagram - Part 1 ... A lot of folks out there have riding mowers. So, in this two part video series, I'll be covering the starting system of a typical riding mower wiring diagram...
I am looking for a wiring diagram for a troy bilt mustang ... I am looking for a wiring diagram for a troy bilt mustang ztr50. seems someone cut some of the wires before I owned it. - Answered by a verified Technician We use cookies to give you the best possible experience on our website.
Troy Bilt Pony Solenoid Wiring Diagram Complete exploded views of all the major manufacturers.Wiring diagram for a troy bilt solenoid. When key is turn on motor clicks but does not ingage Posted by ssgranna on May 26, Looking for a wiring diagram for a '13 troy bilt pony. Here is a link.. Troy Bilt 13AN77KS Troy Bilt Pony Lawn Tractor Wiring Schematic.
120v Ac Capacitor Motor Reversing Switch Wiring Diagram 26/10/2018 · Look at the wiring diagram for your specific HVAC equipment and find the. This electric motor capacitor article series explains the selection, installation, capacitor to get an air conditioner motor, fan motor, or other electric motor running. systems are in the compressors and their relays or motor overload switches.
2013 Troy Bilt 17.5 Hp Riding Mower Wiring Diagram Troy Bilt riding lawn tractors generally come with two factory safety switches. One safety switch prevents the riding mower from being placed in gear while the Lift the tractor's seat and locate the wire harness with two wires running from the. Model Series Form No. (December 02, ) Red (Yard Machines, Huskee, Troy-Bilt, MTD).
dsl-vulkaneifel.de Follow me on Instagram and Facebook @ellismowers09!This Troy Bilt Bronco was a trade in that had a blown up Kohler Courage engine. Yeah, reviewing a ebook 26 hp kohler pro courage v twin engine could increase your near contacts listings. Page E. de The mower is a modelNNN-NN-NNNN The engine was running and just stopped while Here is the owners manual, page 33 …
Troy Bilt Mower Wiring Diagram - IOT Wiring Diagram Troy Bilt 13a 145f063 14hp Hydrostatic Ltx Tractor Wiring Diagram Troy Bilt 13101 Hydro Gtx Garden Tractor Sn 131010100101 Above Wiring Diagram Parts Lookup With Diagrams Partstree Troy Bilt 13a279ks066 Super Bronco 2018 Parts Diagram For Wiring Schematic
Troy Bilt Bronco Riding Mower Belt Diagram - schematron.org 13/09/2018 · Troy Bilt 13WX78KS Bronco Drive & Transmission Parts Diagram . PLUG DECK HOLE 7/8 $ 36 A Upper Drive Belt. Troy Bilt 13WX78KS Bronco Mower Deck Inch Exploded View parts lookup by model. Complete exploded views of all the major manufacturers. This is how you remove and change the deck belt on your Troy-Bilt riding lawn mower. Always be sure to ...
Diagram Besides Troy Bilt Super Bronco Deck Belt Diagram ... troy bilt bronco wiring diagram - You'll need a comprehensive, professional, and easy to comprehend Wiring Diagram. With this sort of an illustrative manual, you will be capable of troubleshoot, prevent, and complete your assignments easily.
13WX79KT011 - Troy-Bilt Horse XP Lawn Tractor (2011) Parts ... Wiring Diagram. Attachments For This Model (7) Hide . 190-032-101 (OEM-190-032) - Troy-Bilt 42" 2-Stage Snow Thrower Attachment (2011) 19A30003OEM - Troy-Bilt Twin Rear Bagger (2011) 19A30005 - Troy-Bilt 46" Deck Mulch Kit. OEM-190-215 - Troy-Bilt Wheel Weights. OEM-190-218 - Troy-Bilt Rear Mount Weight. OEM-190-679 - Troy-Bilt Front Bumper Kit . OEM …
Troy-Bilt Tillers Pony Parts with Diagrams - PartsTree All models of Troy-Bilt Tillers Pony. Fix it fast with OEM parts list and diagrams. ... Pony Parts Lookup & Diagrams Troy-Bilt Tillers: Pony Parts Lookup & Diagrams Troy-Bilt Tillers: Pony ( 88 Models ) 5000 - Troy-Bilt Pony Junior Rear-Tine Tiller (SN: M1001 - M1273)
troy-bilt tb30r wiring diagram Archives - RonMowers Tag - troy-bilt tb30r wiring diagram. Riding Lawn Mowers Troy-Bilt 30-in Riding Lawn Mower TB30R Hydro 10.5-HP... Featured Posts. Husqvarna HU800AWDH 22 inch mower for sale. Toro SR4 super recycle personal pace self propelled... MTD Yard Machines 13HP LT Riding Lawn Mower.
Troy Bilt Pony Mower Wiring Diagram - justussocializing.org Wiring Diagram For 13an77tg766 Troy Bilt Riding Mower The best other is always to use a verified and accurate Troy Bilt Pony Mower Wiring Diagram that's provided from a trusted source. A good, time-honored company that has a long track book of providing the most up-to-date wiring diagrams within reach is not difficult to find.
5.7 Hemi Firing Order Diagram - Wiring Diagrams Wiring Diagram For Heil Furnace; Hoover Spinscrub 50 Parts Diagram; Swm 5 Lnb Wiring Diagram; Neutrik Speakon Wiring; Troy Bilt Bronco Riding Mower Belt Diagram; Fission And Fusion Venn Diagram; Pioneer Fh X720bt Wiring Harness Diagram; 2002 Dodge Caravan 3.3 Serpentine Belt Diagram; Kenwood Kdc 210u Wiring Diagram ; 3l1t-18c868-aa Audio Unite …
auto1x1.de 4 terminal solenoid diagram. email protected]
Troy-Bilt Operator's Manuals & Illustrated Parts Diagrams Yes, printed Troy-Bilt Operator's Manuals, Illustrated Parts Lists and Troy-Bilt / MTD Engine Manuals are available for purchase. The price for a pre-printed manual is typically less than $20+s/h, but can range up to $45+s/h for larger documents.
Comments
Post a Comment